

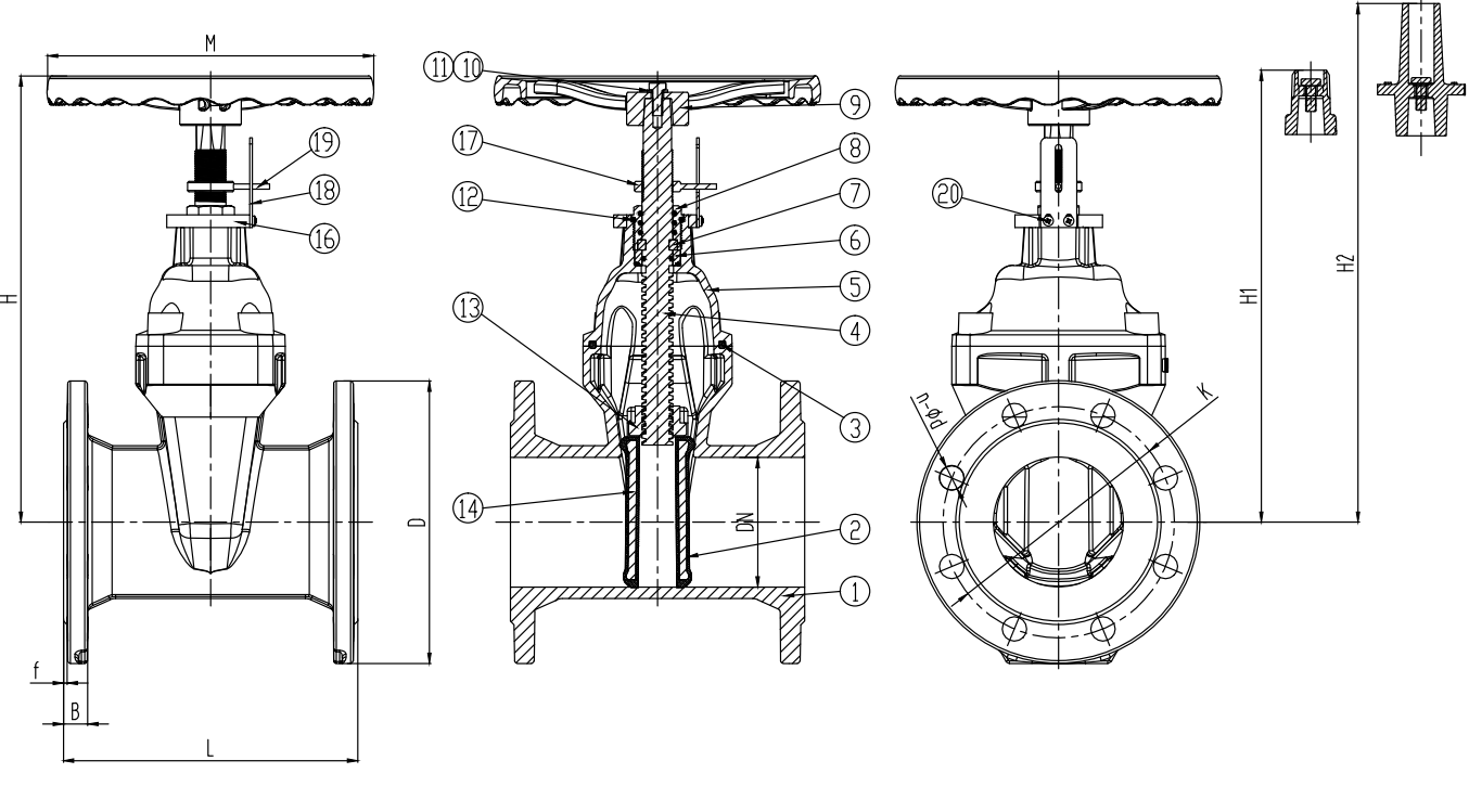
| Design | EN1171 |
|||
| Flange | EN1092-2 | |||
| Face to Face |
EN558-1 Series 3/14/15 | |||
| Tests | EN12266-1 |
|||
| Operation | Handwheel / Cap | |||
| Medium | Water |
|||
| Temperature | 0-80℃ |
|||
| Seal Test | 11/18Bar | |||
| Body Test | 15/24Bar |
|||
| PN | 10/16Bar | |||
| DN | DN40-DN300 | |||
Technical Data




Attention:
1.The valve is installed independent of the flow direction of the medium.
2.?After the valve is assembled, the thread of the bolt/stem shall be greased to prevent corrosion and facilitate subsequent disassembly.
3.?Do not use the valve for pipe pressure regulation, gate valves generally play the role of a switch, to achieve a good adjustment effect, it is recommended to choose a professional regulating valve, water erosion will affect the service life of the valve disc.
4.?Do not use valves with EDPM for gaseous fluids.
Installation instructions
1.?Notice of water stop shall be issued before construction.
2.?The water in the road should be avoided in the front row of construction.
3.?Electricity for construction must be guaranteed.
4.?It is strictly prohibited to use hand wheel, handle and transmission mechanism for hoisting and collision is strictly prohibited.
5.?Lubricate the valve at least once a month if it is in frequent use.
Copyright ? IVALVE TECH. (TONGLING) CO.,LTD. All rights reserved.